EDILKAMIN IDROFLEXA krbová kamna na pelety s výměníkem, bílé 667950
Kód / Model: 667950
Popis
EDILKAMIN IDROFLEXA krbová kamna na pelety s výměníkem, bílé 667950Teplovodní peletová kamna na dřevní pelety Edilkamin IDROFLEXA s uzavřenou expanzní nádrží, vestavěným čerpadlem a bezpečnostním ventilem. Systém GALILEO. Dálkové ovládání za příplatek, odkouření zadní, přehledný display, časový programátor, automatická kontrola, automatické čištění spalovacího kelímku.
Provedení: boky i vrch: keramika bílá matná.
Technické parametry
Výkon celkový: 6,9/11,3
Výkon do vody: 2,4/9 kW
Účinnost: 90,2 %
Zásobník: 27 kg
Autonomní provoz: 9-14 hodin
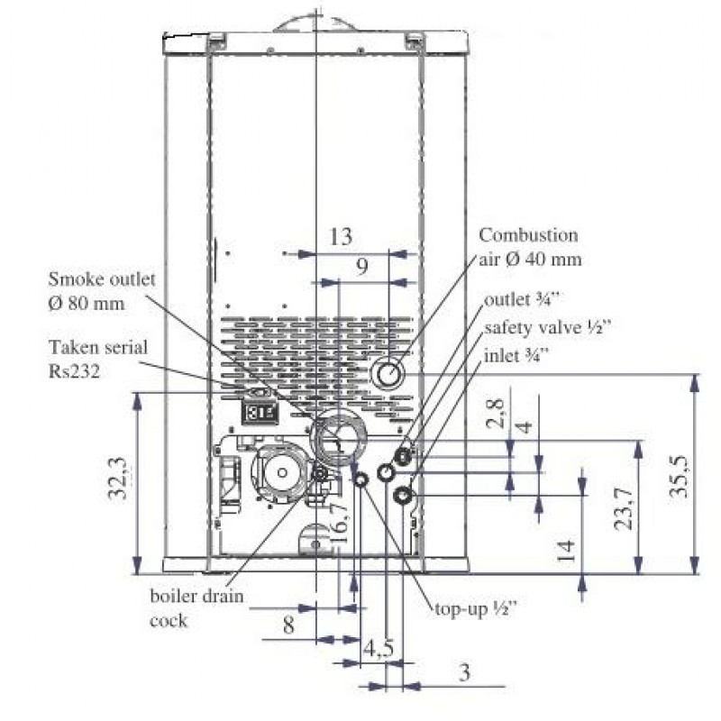
Odkouření průměr: 80 mm zadní
Poměr výkonu do vody: 86,1 %
Emise: CO (13% O2) 0,020 %
Maximální tlak: 2 bar
Provozní tlak: 1,5 bar
Teplota spalin: 113°C
Minimální tah: 12 Pa
Externí sání vzduchu průměr: 40 mm
Napájení: 230 V +/- 10 % 50 Hz
Vypínač ON/OFF + pojistky
Příkon: 150 W střední/400 W při žhavení a startu
Rozměry (vxšxh): 990x550x550 mm
Vytápěný prostor: 295 m3
Hmotnost: 188 kg
Spotřeba paliva (pelety): 1,7/2,7 kg/h
Obsah vody: 6 l
Princip fungování
Palivo (pelety) se dávkují ze zásobníku přes šnekový podavač poháněný motorem s převodovkou do ohniště gravitačním kanálem.
Zapálení pelet proběhne pomocí žhavícího elektrického odporového válečky, který předává teplo nasávanému vzduchu do topeniště.
Spaliny se odsávají spalinovým ventilátorem na výstupu z kamen.
Popel padá do popelníku kolem topeniště. Samotné ohniště je z litiny a žáruvzdorné nerez oceli. Kamna mají dvojitá dvířka.
Systém spalování GALILEO (prediktivní moderní systém)
GALILEO je bezpečnostní systém řízeného spalování, který umožňuje optimální chod za každých okolností. GALILEO zaručuje optimální fungování díky snímacím prvkům, který měří průtok vzduchu, který je potřeba pro spalování. Snímání a následná optimalizace spalování se zpracovává průběžně, čím je možno upravovat případné anomálie v reálném čase. Systém Galileo dosahuje vyrovnané spalování tým, že automaticky reguluje tah v závislosti od vlastnosti spalinové cesty (počet kolen, délka, geometrie, průměr aj.) a v závislosti od klimatických podmínek (vítr, vlhkost, atmosférický tlak, nadmořský výška atd.). Spalinová cesta musí vždy vyhovovat příslušným normám a pokynům v tomto návodu.
Informace k palivu (dřevní pelety):
Pro dosažení nejlepších spalovacích výsledků (nízké emise a vysoká účinnost využití paliva). Je nutno použít palivo (pelety) o průměru 6 mm, maximální délka 40 mm, maximální vlhkost 8 %, výhřevnost 5 kWh/kg = 18 MJ/kg.
Kamna IDROFLEXA obsahují bezpečnostní a snímací prvky:
- Termočlánek spalin
- Senzor průtoku
- Havarijní termostat podavače pelet
- Sonda teploty vody
- Havarijní termostat přehřátí vody (manuální reset)
- Přetlakový pojistný ventil
- Manometr
Komponenty kamen:
- Odpor
- Odtahový ventilátor spalin
- Motor s převodovkou
- Oběhové čerpadlo
- Uzavřená expanzní nádoba
- Ruční odvzdušňovací ventil
- Vypouštěcí ventil
Bezpečnostní prvky:
- Termočlánek spalin
- Průtokový snímač vzduchu
- Bezpečnostní termostat
- Externí dálkové ovládání AUX
- Záložní baterie
Signalizace (diagnostika) na displeji:
A01 neúspěšné zapálení
A02 čidlo teloty vody
A03 nedostatečný tah
A05 překročena teplota spalin
A06 nedostatek pelet v topeniště
A07 čidlo spalin poškozeno
A08 black out (výpadek napájení sítě) - není závada kamen
A09 tepelná pojistka
A11 porucha na řídící desce
A12 porucha ventilátoru odtahu spalin
A13 přehřátá voda
EDILKAMIN
Edilkamin je největší evropská firma v oblasti výroby krbů a kamen. Díky maximální pozornosti věnované kvalitě výrobků může firma Edilkamin zaručit jejich maximální spolehlivost a bezpečnost a pochlubit se uznávanými certifikáty.
ILUSTRAČNÍ FOTO
Obrázky se mohou lišit od originálního produktu/položky.
Dokumenty
Recenze (0)
Napsat recenzi
Hodnocení: Nejhorší Nejlepší
Opište prosím kód z obrázku do pole níže:
