ELEKTROBOCK časový spínač na omítku CS1-2
Kód / Model: 0112elb
Popis
ELEKTROBOCK časový spínač na omítku CS1-2Časové spínače jsou velkým pomocníkem pro časové ovládání osvětlení a ventilátorů v koupelnách, na toaletách a schodištích.
Instalace na omítku
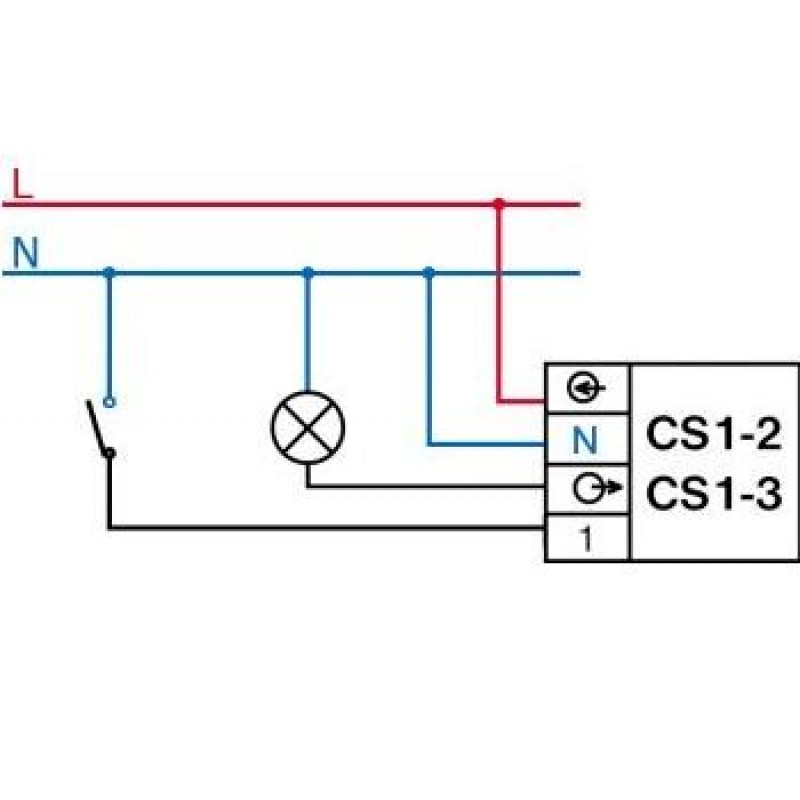
Velkou výhodou časových spínačů řady CS1-X je jejich snadná montáž na stávající elektroinstalaci, přímo v místnosti, kde je potřeba časově ovládat určitý spotřebič. Tím odpadá dodatečné tažení vodičů do rozvodové skříně a vzniká tak úspora času a materiálu. Časové spínače CS1-X jsou určeny pro montáž na instalační krabice do zdi i na lištový rozvod. Výstupní vodiče se připojují na svorkovnici v instalační krabici nebo svorkami WAGO. Dalšími výhodami jsou přehledné a jednoduché nastavení času, nepatrná spotřeba elektrické energie a spolehlivý provoz.
Časový spínač CS1-2 slouží jako automat ovládání osvětlení pro schodiště.
TECHNICKÉ PARAMETRY:
Napájení: 230 V st, 50 Hz
Max.spínaný výkon: 750 VA
Spínací prvek: relé
Nastavitelný čas: 1 - 10 min.
Příkon: 1 VA
Pojistka: F 4 A/ 1500 A, 250 V
Stupeň krytí: IP 20
Pracovní teplota: -10°C až 55°
Vlastnosti CS1-2:
Je určen ke spínání osvětlení schodišť, chodeb, hal a jiných prostor, které potřebujeme časově ovládat. Umožňuje plynulé nastavení doby svícení v rozmezí 1 až 10minut. K rozsvícení dojde v okamžiku sepnutí ovládacího spínače. CS1-2 má zabudované blokování při trvalém sepnutí spínače, tzn. při trvalém sepnutí spínače se spotřebič po nastavené době vypne.
ILUSTRAČNÍ FOTO
Obrázky se mohou lišit od originálního produktu/položky.
Recenze (0)
Napsat recenzi
Hodnocení: Nejhorší Nejlepší
Opište prosím kód z obrázku do pole níže:

