Grundfos ALPHA1 25-60 180 220-240V 9H AC0 Oběhové čerpadlo 93074163
Sleva 58%
Popis
Grundfos ALPHA1 25-60
Grundfos ALPHA1 25-60 je vysoce účinné elektronicky řízené oběhové čerpadlo určené pro vytápěcí a klimatizační soustavy. Díky modernímu ECM motoru, inteligentním regulačním režimům a robustní konstrukci představuje ideální řešení pro rodinné domy, bytové objekty i menší komerční instalace.
Čerpadlo zajišťuje spolehlivý a tichý provoz, nízkou spotřebu elektrické energie a dlouhou životnost i při trvalém zatížení. Je navrženo jako přímá náhrada starších oběhových čerpadel bez nutnosti složitých úprav systému.
Vlastnosti a výhody
- Vysoce účinný ECM motor s nízkou spotřebou energie
- Tři regulační režimy: konstantní tlak, proporcionální tlak a konstantní křivka
- Tři nastavitelné rychlosti v každém provozním režimu
- Automatické samoodvzdušnění a ochrana proti chodu nasucho
- Zesílený rozběhový moment omezuje riziko zablokování čerpadla
- Opakovaný automatický start motoru při blokaci s maximálním krouticím momentem
- Keramická hřídel a ložiska pro tichý chod a dlouhou životnost
- Snadná diagnostika pomocí signalizačních symbolů na ovládacím panelu
- Rychlá instalace díky beznástrojovému elektrickému konektoru
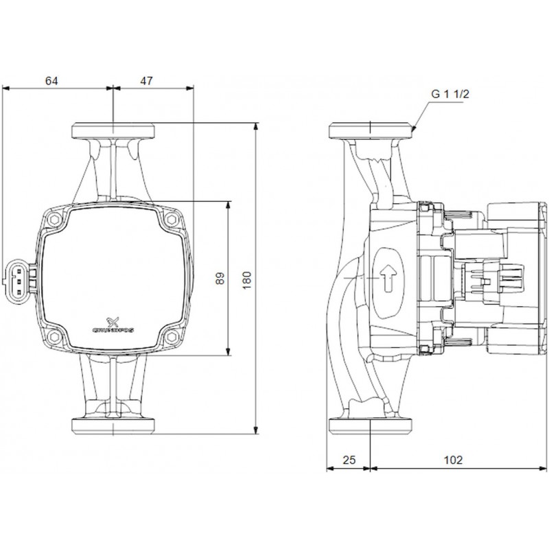
Technické parametry
| • Max. dopravní výška | 6,0 m |
| • Max. provozní tlak | 10 bar |
| • Montážní délka | 180 mm |
| • Připojení | G 1 1/2", PN 10 |
| • Rozsah teploty kapaliny | 2 … 110 °C |
| • Referenční teplota | 60 °C |
| • Příkon (P1) | 4 – 45 W |
| • Napájení | 1 × 220–240 V, 50/60 Hz |
| • Krytí | IP44 |
| • Třída izolace | F |
Materiály
| • Těleso čerpadla | Litina |
| • Oběžné kolo | Kompozit |
Obsah balení
- Oběhové čerpadlo Grundfos ALPHA1 25-60
- Integrovaný elektrický konektor
- Návod k instalaci a obsluze
Obrázky se mohou lišit od originálního produktu/položky.
Parametry
| Parametry | |
| Dopravní výška | 6 m |
| Typ připojení | závitové |
| Velikost | 1 1/2" |
| Vestavná délka | 180 mm |
| EEI - Index energetické účinnosti | <= 0,20, 0,20 |
| Síťová přípojka | 1~230 V, 50 Hz |
| Krytí IP | IP 44 |
| Max. provozní tlak | 10 bar |
| Jmenovitý průtok | 2,28 m3/h |
| Typ | 25-60 |
Dokumenty
Recenze (0)
Napsat recenzi
Hodnocení: Nejhorší Nejlepší
Opište prosím kód z obrázku do pole níže:





























