Grundfos ALPHA1 GO 32-40 180 220-240V 9H AB0 Oběhové čerpadlo 93074184
Sleva 53%
Popis
ALPHA1 GO
ALPHA1 GO je vysoko účinné obehové čerpadlo s elektronicky komutovaným motorom, určené pre vykurovacie a klimatizačné sústavy. Je navrhnuté ako moderná a energeticky úsporná náhrada obehových čerpadiel Grundfos UPS integrovaných v kotloch a ďalších zostavách, ako aj väčšiny samostatných obehových čerpadiel.
Čerpadlo je vybavené inteligentným riadením a umožňuje replikáciu pracovných kriviek pôvodného čerpadla prostredníctvom mobilnej aplikácie Grundfos GO, čo výrazne zjednodušuje výmenu a uvedenie do prevádzky.
Výhody
- Vysoká energetická účinnosť a nízka spotreba elektrickej energie
- Tri riadiace režimy pre optimálne prispôsobenie sústave
- Jednoduchá náhrada čerpadiel Grundfos UPS vrátane kopírovania kriviek
- Inteligentné riadenie s jednoduchým nastavením výkonu
- Vhodné pre vykurovacie aj klimatizačné systémy
Riadiace režimy
- Konštantný tlak
- Proporcionálny tlak
- Konštantná krivka
Každý režim je možné nastaviť na tri úrovne výkonu podľa požiadaviek sústavy.
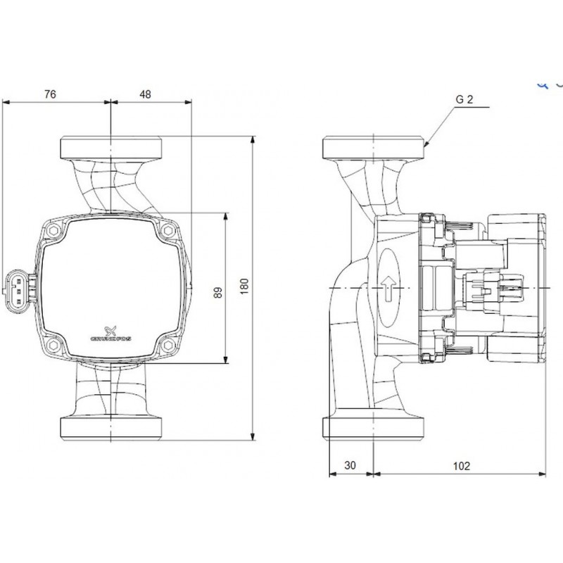
Technické údaje
| • Čerpaná kvapalina | Voda |
| • Rozsah teploty kvapaliny | 2 .. 110 °C |
| • Vybraná teplota kvapaliny | 20 °C |
| • Hustota | 998,2 kg/m3 |
| • Menovitý prietok | 1,65 m3/h |
| • Menovitá dopravná výška | 1,89 m |
| • Orientácia hlavy čerpadla | 9H |
| • Teplotná trieda TF | 110 |
| • Schválenia | CE, VDE |
| • Teleso čerpadla | Liatina (EN 1561 EN-GJL-150 / ASTM A48-150B) |
| • Obežné koleso | Kompozit (PES + 30 % GF) |
| • Rozsah okolitej teploty | 0 .. 55 °C |
| • Maximálny prevádzkový tlak | 10 bar |
| • Typ pripojenia | G |
| • Veľkosť pripojenia | 2 inch |
| • PN pre potrubnú prípojku | PN 10 |
| • Dĺžka port-port | 180 mm |
| • Príkon P1 min. | 4 W |
| • Príkon P1 max. | 27 W |
| • Frekvencia siete | 50 / 60 Hz |
| • Menovité napätie | 1 × 220–240 V |
| • Maximálna spotreba prúdu | 0,06 A / 0,3 A |
| • Krytie | IP44 |
| • Trieda izolácie | F |
| • Tepelná ochrana | Elektronická |
Obrázky se mohou lišit od originálního produktu/položky.
Parametry
| Parametry | |
| Dopravní výška | 4 m |
| Typ připojení | závitové |
| EEI - Index energetické účinnosti | 0,20 |
| Síťová přípojka | 1~230 V, 50/60 Hz |
| Typ | 32-40 |
| Krytí IP | IP 44 |
| Jmenovitý průtok | 1,65 m3/h |
| Vestavná délka | 180 mm |
| Velikost | 2" |
| Max. provozní tlak | 10 bar |
Dokumenty
Recenze (0)
Napsat recenzi
Hodnocení: Nejhorší Nejlepší
Opište prosím kód z obrázku do pole níže:




























