Wilo Varios Pico-STG 25/1-7-130 oběhové čerpadlo 4215541
Sleva 59%
Popis
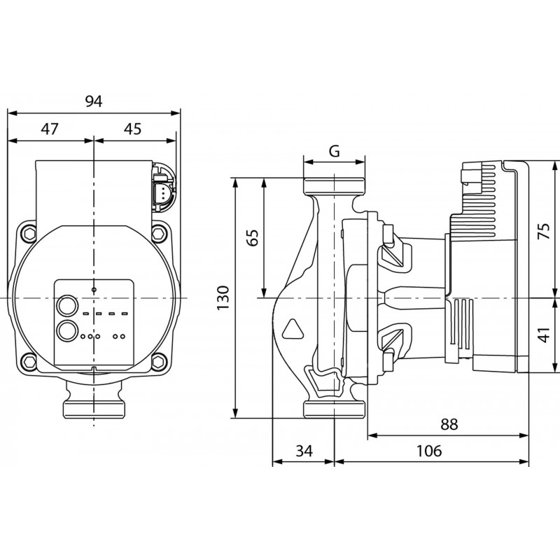
Wilo Varios PICO-STG 25/1-7 130 mm – Oběhové čerpadlo 4215541
Wilo Varios PICO-STG 25/1-7 je vysoce účinné elektronicky řízené oběhové čerpadlo určené pro topné, klimatizační, solární a geotermální systémy. Jedná se o bezúdržbové mokroběžné čerpadlo se závitovým připojením, se synchronním ECM motorem odolným vůči zablokování a integrovanou elektronickou regulací výkonu pro plynulou regulaci diferenčního tlaku.
Varianta s konstrukční délkou 130 mm je ideální pro modernizace i nové instalace, kde je potřeba kompaktní rozměr a široká možnost nastavení regulace podle požadavků soustavy.
Hlavní výhody Wilo Varios PICO-STG 25/1-7
- Vysoce účinný ECM motor – index energetické účinnosti EEI max. 0,20.
- Plynulá regulace diferenčního tlaku – optimalizace výkonu podle potřeby systému.
- Motor odolný vůči zablokování – spolehlivý start i po odstávce.
- Tichý chod – komfortní provoz v obytných i technických prostorech.
- Konstrukční délka 130 mm – ideální pro instalace s omezeným místem.
- Univerzální použití – topení, klimatizace, solární i geotermální systémy.
- Wilo-Connector – jednoduché elektrické připojení.
Technické údaje
| • Název výrobku | Varios PICO-STG 25/1-7-130 |
| • Číslo výrobku | 4215541 |
| • EAN | 4048482792149 |
| • Síťová přípojka | 1~230 V +/-10%, 50/60 Hz |
| • Konstrukční délka | 130 mm |
| • Připojení (sání/výtlak) | G 1 1/2 |
| • Maximální provozní tlak | 10 bar |
| • Min. teplota média | -20 °C |
| • Max. teplota média | 110 °C |
| • Krytí | IPX4D |
| • Max. dopravní výška | 7 m |
| • Hmotnost netto | cca 1,7 kg |
Údaje motoru
| • Index energetické účinnosti (EEI) | max. 0,20 |
| • Jmenovitý výkon P2 | 38 W |
| • Příkon P1 min/max | 1-50 W |
| • Min. otáčky nmin | 2340 1/min |
| • Max. otáčky nmax | 4366 1/min |
| • Izolační třída | F |
| • Šroubení kabelu | 1 x PG11 |
Materiály
| • Skříň čerpadla | šedá litina |
| • Oběžné kolo | PP-GF40 |
| • Hřídel | nerezová ocel |
| • Materiál ložiska | uhlík, impregnovaný kovem |
Rozsah dodávky
- Oběhové čerpadlo Wilo Varios PICO-STG 25/1-7-130
- Elektrický přívodní kabel s 3pólovou zástrčkou a Wilo-Connectorem
- Wilo-Connector
- Návod k montáži a obsluze
Obrázky se mohou lišit od originálního produktu/položky.
Parametry
| Parametry | |
| Velikost | 1" |
| Přípojka přítoku | 1 1/2" |
| Přípojka výtlaku | 1 1/2" |
| Dopravní výška | 7 m |
| Typ připojení | závitové |
| Vestavná délka | 130 mm |
| Max. průtok | 3,7 m3/h |
| EEI - Index energetické účinnosti | 0,20 |
| Jmenovitý tlak | 10 bar |
| Síťová přípojka | 1~230 V, 50/60 Hz |
| Krytí IP | IPX4D |
| Typ | 25/1-7 |
| Velikost příruby | 25 DN |
| Čerpací výkon | 3,5 m3/h |
Dokumenty
Recenze (0)
Napsat recenzi
Hodnocení: Nejhorší Nejlepší
Opište prosím kód z obrázku do pole níže:




































